A Choice of 3 stylish modern back to wall toilets, designed to be used with a Concealed cistern, either embedded in the wall, or inside a WC Unit (also available in our webstore)
Ellie D shape Style Back To Wall Pan Toilet WC
Modern square style design short projection toilet pan, suitable for use with concealed cisterns, with soft close seat included.
- Back to Wall WC pan(suitable to go against furniture)
- High quality white gloss glazed
- D SHAPE design
- With luxury soft close seat included with quick Release mechanism
- Comes with floor pan fixing Kit
- Flexible pan connector can be purchased separately
Sizes approx:
- Width: 355mm
- Depth: 540mm
- Height: 400mm
- Height Not Inc Seat:400mm
Gigi Square Rimless Square Style Back To Wall Pan Toilet WC
Modern square style design short projection toilet pan, suitable for use with concealed cisterns.
- Back to Wall WC pan(suitable to go against furniture)
- Rimless design for easy cleaning
- High quality white gloss glazed
- Square design
- Short projection, for when space is tight.
- With luxury soft close seat included with quick Release mechanism
- Comes with floor pan fixing Kit
- Flexible pan connector can be purchased separately
Sizes approx:
- Width: 360mm
- Depth: 500mm
- Height: 410mm
Carrie Luxury D Shaped Back To Wall Toilet Pan
Carrie Back to Wall Toilet Pan with Soft Close Seat
- Luxury D shaped WC pan
- For use with bathroom furniture units & concealed cisterns
- (Unit & cistern not included)
- High gloss glaze
- Manufactured from vitreous china
- Including premium D shaped WC seat
- Soft close mechanism
- With quick release mechanism so seat can easily be removed for cleaning
- Heavy duty
Sizes approx:
- W: 360mm
- D: 500mm
- H: 415mm (height without seat)
- H: 460mm (height with seat)
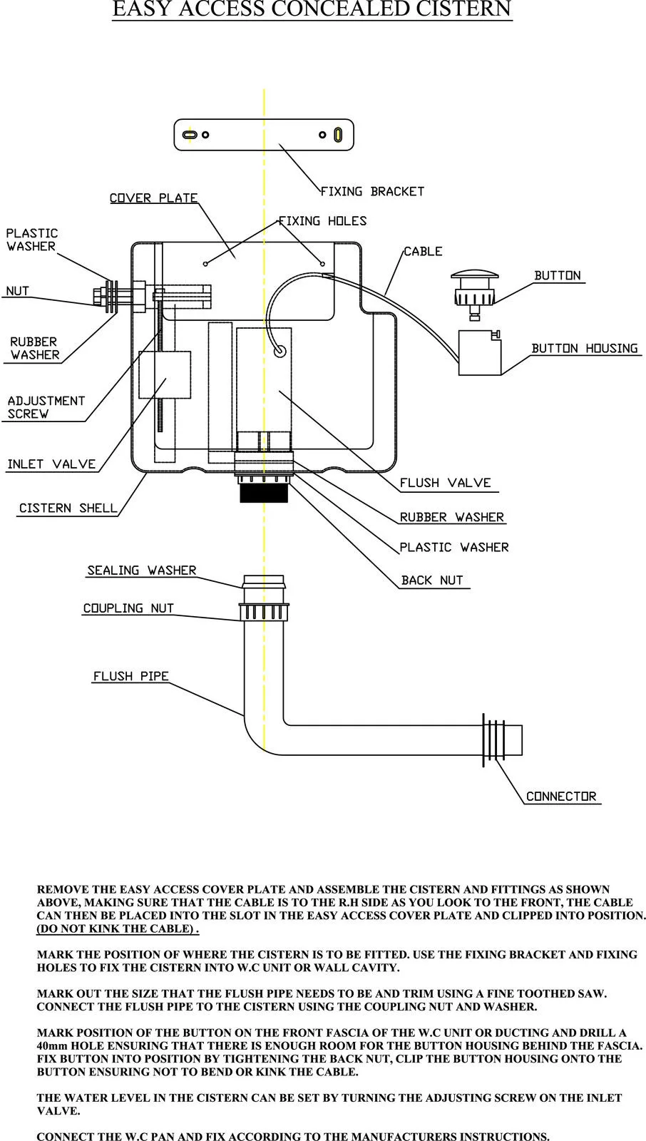
Concealed Cistern
Standard Concealed Dual Flush Cistern
- Dual flush 6 / 3 ltr
- Strong durable construction
- Water entry can be left or right entry
- Chrome plated dual flush button included
- Flush valve & fill valve included
- Button to cistern – cable length is 290mm
- Easy to fit
- 1 bar minimum pressure is recommended
- Button is not fixed & can be attached to furniture accordingly
- Internal overflow
Cistern Sizes approx:
- Height: 380mm
- Width: 380mm
- Depth: 125mm
Recommended Extras


Flexible Pan Connector
+ Fixing Kit











































Reviews
There are no reviews yet.